10kv铜芯电缆价格表,10kv铜芯高压电缆价格
10kv铜芯电缆价格表,10kv铜芯高压电缆价格
随着社会经济的不断发展,城市配电网中的电缆线路占比越来越大。当电缆发生故障时,由于放电位置在地层下,需要首先进行故障定位才可进行修复。国网天津市电力公司城西供电分公司的研究人员陶宇航、张熹、宫祥龙,在2022年第2期《电气技术》上撰文,结合六起10kV中压电缆故障,通过低压脉冲法、冲闪法及二次脉冲法分析波形数据,进行故障点位初步测距;再通过声磁同步法,精确定位故障点。最后,将电缆故障部分进行解剖,分析具体故障原因,为中压电缆终端在电力系统中安全、稳定运行提供依据。
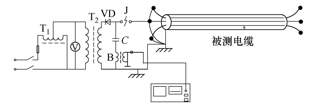
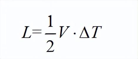
日落时逆天的配电网和电力塔Electrical distribution grid and 随着我国城市配电网的不断改造,10kV中压电缆已广泛应用于配电线路中。以天津市南开区为例,电缆线路约占全部配电网线路长度的93%,而电缆故障约占全部故障数量的56.7%。当电缆发生故障时,由于故障点位置通常不可见,往往需要对电缆进行故障定位,以为电缆修复提供依据。 一般的电缆故障位置粗测方法,主要有电桥法、低压脉冲法、直闪法、冲闪法、二次脉冲法等。通过分析波形,可粗略测得故障点位距离电缆终端的长度,利用电缆路径仪及测距仪,找到故障点粗略位置,再利用声磁同步法、音频感应法、跨步电压法等进行精确定位。本文所涉及的故障查找流程如图1所示。 图1 故障查找流程 在常见的电缆故障类型中,高阻故障约占83%,断线故障约占5%,低阻故障约占12%。故障原因中,外力破坏约占37%,中间接头故障约占54%,老旧电缆运行年限过长约占9%。常见电缆故障查找方式见表1。 表1 常见电缆故障查找方式 1.1 低压脉冲法 低压脉冲法可用于电力电缆的低阻、断路及短路故障点测距,其原理为向电缆一端注入一个脉冲信号,该信号沿电缆以一定速度前进,在遇到阻抗不匹配点位时产生反射,通过检测回波时间及极性,即可获取电缆全长、中间接头位置、接地位置的信息。电脉冲信号在电缆内波速仅取决于绝缘材料的性质,如对于油浸纸绝缘电缆通常约为160m/μs,对于聚乙烯绝缘电缆通常约为172m/s。故根据式(1),即可得出发射端与反射点距离L。 式(1) 式中:V为波速;T为发射波与回波时间差。 低压脉冲法接线方式及典型波形如图2所示。发出脉冲后,正周期回波即为电缆断路点(终端或断线位置),负周期回波即为电缆接地点,正负起伏处即为中间接头位置。低压脉冲法可以在不借助升压设备的情况下,通过较为简单的接线方式获得电缆全长及故障位置。 图2 低压脉冲法接线方式及典型波形 1.2 冲闪法 冲闪法可用于电力电缆的高阻故障测距,其原理为将高压瞬间作用于故障相,使故障点击穿,记录电流信号在测试点与故障点间往返所需的时间,计算确定相应距离。冲闪法(电流耦合方式)接线方式如图3所示。 图3 冲闪法(电流耦合方式)接线方式 测试时需要利用升压仪将高压加载至故障相,并通过电容接地线进行电流采样。当高压信号越过故障点并在终端反射后,两次电压相叠加,将故障点击穿并形成电弧。在燃弧期间,高压信号会在电缆始端与接地位置进行数次往返,冲闪法典型波形如图4所示。 图4 冲闪法典型波形 首次击穿时,脉冲越过故障位置并返回,脉冲宽度较大,因此通常在第二个周期后进行宽度测量。波形卡位时,需排除仪器与引线间电感杂散干扰,避免测量结果偏大。 1.3 二次脉冲法 二次脉冲法通过高压发生器对高阻故障电缆施加脉冲高压,使故障点出现弧光放电。在放电期间,高阻故障会短时转换为低阻故障,此时发出一组低压脉冲并接收其波形。放电结束后,再次发出一组低压脉冲并接收其波形,对比上述波形分离处,即可判断故障距离。二次脉冲法典型接线方式如图5所示。 图5 二次脉冲法典型接线方式 图5中,延弧器用于延长电弧放电时间以便于发射并检测低压脉冲,二次脉冲法典型波形如图6所示。 图6 二次脉冲法典型波形 如图6所示,二次脉冲法会形成两条曲线,分别为电弧出现前、后的低压脉冲波形。击穿后,由于故障点转换为低阻故障,将产生负脉冲,两波形首次分离处即为故障位置。二次脉冲法波形分析较为简单直接,但接线较为复杂,且延弧器存在压降,在故障位置击穿情况良好的前提下波形较为明显。 1.4 声磁同步法 声磁同步法用于电缆故障精确定点。在电缆施加脉冲高压放电时,会形成磁信号,同时在故障点形成声音信号。由于磁场信号传播速度比声音信号快,通过比对两种信号时间差,即可获取故障点精确位置。声磁信号同步时典型波形如图7所示。 图7 声磁信号同步时典型波形 在故障点附近通过探头将同时捕获到两种信号,当探头移动至两种信号的起始点重叠且耳机中听到清脆脉冲放电声时,地面下方即为故障点。在进行测试时,仪器会随放电脉冲点亮同步指示灯,以便于排除声音信号干扰。磁场方向可用于判断探头与电缆的水平相对位置,便于交叉定位。 2.1 低阻接地故障 2021年10月03日,某变电站10kV出线过电流I段保护动作。经摇缆,确定为出口电缆相间短路。该段电缆型号为YJV22 3×240,于2003年以直埋方式敷设,资产全长900m。通过对电缆进行绝缘电阻测试,黄红两相对地阻值为零。通过低压脉冲法,获得波形如图8所示。 图8 低阻接地故障波形 从图8可看出,在280m处有一中间接头,503m处有接地反射,925m处有终端反射,与电缆全长相符。对故障相施加15kV高压脉冲,于500m处获得声磁同步信号,听到放电声。将故障点开挖后,发现放电位置为一冷缩型中间接头,在冷缩管处相间击穿放电,熔融物对接地线形成良好通道,如图9所示。 图9 相间短路故障位置 2.2 断线故障 2021年08月21日,某变电站10kV出线速断保护动作。经摇缆,判断为1102站至1103站电缆三相接地。该段电缆型号为ZLQD22 3×240,于1989年投运,以直埋形式铺设,资产全长620m。 通过对电缆进行绝缘电阻测试,三相电阻均为零。使用万用表测试相对地阻值,均为无穷大。自1102站进行低压脉冲测试,在约206m处产生终端反射;在1103站进行低压脉冲测试,在约404m处产生终端反射,低压脉冲波形如图10、图11所示。通过与电缆资产全长进行对比,判断该处电缆发生断线故障。 图10 1102站低压脉冲波形 图11 1103站低压脉冲波形 对电缆施加15kV高压脉冲,在206m处发现地面人行道砖向外掀起,并听到明显放电声。周边居民反映故障时地面自下部爆开。开挖后,地面下约1m处找到故障点,电缆本体发生故障,故障点绝缘油已基本流干,导致绝缘程度下降致三相短路,短路能量较大将地面掀起。同时,将线芯烧断约10cm。故障位置线芯剖面如图12所示。 图12 故障位置线芯剖面 3.1 电缆中间接头故障 2021年09月15日,某变电站10kV出线零序保护动作。经摇缆,确定为线路联络电缆故障。该段电缆型号为YJLV22 3×240,资产全长720m。 通过对电缆进行绝缘电阻测试,三相阻值分别为156MΩ、136MΩ、0.2MΩ,判断为高阻故障。对故障相进行低压脉冲测试,可测得电缆全长及三个中间接头,与资产记录相符,未发生断线。高阻故障低压脉冲波形如图13所示。 图13 高阻故障低压脉冲波形 因接地位置绝缘电阻较高,低压脉冲无法测得故障长度。将故障测试仪改冲闪法接线,对故障相施加15kV高压脉冲,故障点击穿但放电情况不佳,无法获得有效波形。继续升压至18kV,击穿情况良好,获取冲闪波形如图14所示。 图14 高阻故障冲闪波形 从图14可看出,击穿后第三个周期波形趋于稳定。通过卡位,获取故障距离321m,结合低压脉冲波形,判断为中间接头发生故障。使用定点仪在325m处获取声磁同步信号,听到明显放电声。开挖后,确定故障为热缩型中间接头进水,自压接管处沿绝缘表面爬弧至铜屏蔽放电,故障处主绝缘表面已发生炭化并烧穿,如图15所示。 图15 电缆中间接头进水爬弧 3.2 电缆旧伤故障 2021年09月22日,某变电站10kV出线零序保护动作。经摇缆,确定为215站至6622站电缆故障。该段电缆型号为YJLV22 3×240,敷设于2003年,资产全长320m。 通过对电缆进行绝缘电阻测试,三相阻值分别为43MΩ、68MΩ、0MΩ;万用表测试对地阻值均为无穷大,判断为高阻故障。对电缆进行低压脉冲测试,获得波形如图16所示。 图16 旧伤故障低压脉冲波形 从图16可看出,在42m处发现不明显的短路反射波形;在333m处正确显示电缆全长,未发生断线。使用冲闪法自215站对故障相施加15kV高压脉冲进行验证,获得波形如图17所示。 图17 旧伤故障冲闪波形 图17中,击穿后第二个周期波形趋于稳定,通过卡位,判断故障点在近端约42m处,与低压脉冲波形相符。使用路径仪及定点仪,在该处获取声磁同步信号。故障点处因地铁导行路施工,由绿地变为柏油路面,开挖后,发现电缆本体上方破洞,解剖发现电缆内大量存水,判断为施工将电缆外皮及绝缘碰坏,导致进水腐蚀至线芯,运行一段时间后发生故障,故障位置如图18所示。 图18 旧伤电缆故障位置 4.1 电缆老旧故障 2021年05月13日,某变电站10kV出线零序保护动作。经摇缆,确定为联络电缆故障。该电缆型号为AL 3×240,敷设于1992年,资产全长312m。 通过对电缆进行绝缘电阻测试,三相阻值分别为97MΩ、112MΩ、0.1MΩ,判断为高阻故障。对电缆进行低压脉冲测试,正确获取全长,未发生断线。通过延弧器施加20kV高压脉冲,获得二次脉冲波形如图19所示。 图19 老旧电缆二次脉冲波形 从图19可看出,击穿前后低压脉冲波形于73m处发生分离,电弧将故障点由高阻故障短时转化为低阻故障。将试验仪改接冲闪法进行验证,施加16kV高压脉冲,获得波形如图20所示。 图20 老旧电缆冲闪波形 由图20可见,冲闪法在第三个周期获取稳定放电曲线,卡位于73m,验证了二次脉冲法测距数值。使用定点仪,在该处听到放电声。开挖后,发现电缆本体位于人行道树下,由于运行时间较长,已被树根包裹并挤坏。故障点不可视且无法取出,自两侧切除后通过对接进行修复。 4.2 电缆中间接头故障 2021年10月10日,某变电站10kV出线过电流I段保护动作。经摇缆,确定为1783站至737站电缆故障。该段电缆型号为YJLV22 3×240,双缆敷设,资产全长800m。 将电缆两侧挑开,选出故障电缆;通过对电缆进行绝缘电阻测试,三相阻值分别为16M、0M、102M;使用万能表测试对地阻值均为无穷大,判断为高阻故障。通过低压脉冲测试成功获取三个中间接头及电缆全长,通过延弧器施加20kV高压脉冲,二次脉冲波形全程重合,未激发电弧。重新升压至23kV,燃弧成功,获取二次脉冲波形如图21所示。 图21 中间接头故障二次脉冲波形 图21中,击穿前、后脉冲波形于331m处分离。同时,也可看出797m处终端反射,与全长相符。将试验仪改接冲闪法进行验证,升压至18kV,获取冲闪波形如图22所示。 图22 中间接头故障冲闪波形 冲闪法于第四个周期获取稳定波形,卡位于311m。使用定点仪自310m处开始测寻,于330m处发现声磁同步信号,通过与低压脉冲波形比对,此处为一中间接头。将故障处开挖并解剖后,发现接头半导电断口处因工艺不良发生击穿,如图23所示。 图23 中间接头故障位置 电缆故障后,准确对放电位置进行测距及定位是故障查找的关键。本文通过对低压脉冲法、冲闪法、二次脉冲法典型波形的分析,对多种故障定位方式进行了讨论。 1)低压脉冲法主要用于故障电缆初步判研,可通过反射波形确定中间接头、低阻故障及电缆终端位置。低压脉冲法接线最为简单,无需升压设备及外部电源即可完成。 2)冲闪法主要用于电缆高阻故障测距。通过高压脉冲将故障点击穿形成反射波形,可以采用较为简单的接线方式获取故障点粗测距离,是最为常用的故障查找方法之一。 3)二次脉冲法克服了冲闪法波形分析难度大的缺点,仅需观察击穿前后脉冲波形分离位置即可。但延弧器接线较为复杂,且存在一定压降,测距后需要改接为冲闪法进行定点。 在实际的故障查找工作中,通常采用多种方式进行交叉验证,以提升效率。同时,配合电缆路径仪、声磁同步定点仪,最终找出放电精确位置。 本文编自2022年第2期《电气技术》,论文标题为“10kV电缆故障测距及定位典型案例分析”,作者为陶宇航、张熹 等。1 故障点测距原理及接线方式
2 低压脉冲故障测距案例
3 冲闪法故障测距案例
4 二次脉冲法故障测距案例
5 结论
