10kv铝芯高压电缆型号_10kv架空线用的什么型号
导线型号及参数
10kV架空线路均采用阻水型铝芯交联聚乙烯绝缘架空电缆,主干线采用ZS-JKLYJ-10/240(改造线路可采用ZS-JKLYJ-10/185),支线均采用ZS-JKLYJ-10/150,杆变引下线采用阻水型软铜芯交联聚乙烯绝缘架空电缆ZS-JKTRYJ-10/25或集束型软铜芯交联聚乙烯绝缘架空电缆JKTRYJW-10/3×35。
参考《GBT 14049-2008额定电压10kV架空绝缘电缆》及相关电缆生产企业的企业标准,各导线参数参考左表。
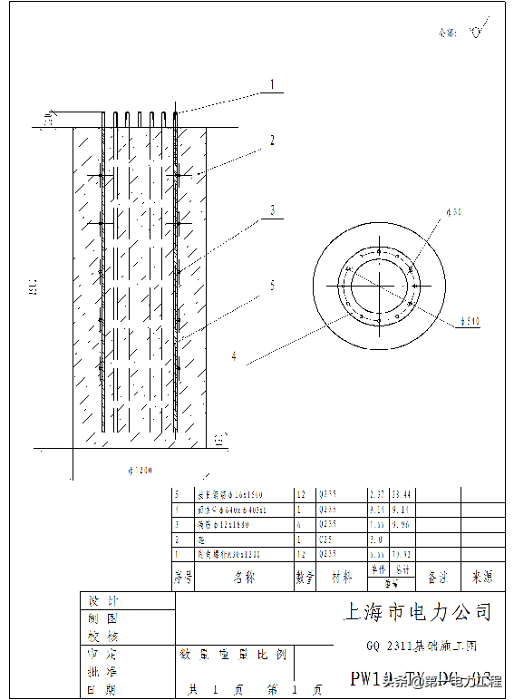
电杆及其基础的选取及使用
1、电杆选用的基本原则
10kV架空线路以部分预应力混凝土电杆为主,单回路和双回路直线杆选用部分预应力混凝土电杆;单回路转角和终端杆选用法兰式高强度混凝土电杆(必要时加拉线)或法兰式钢管杆;双回路转角和终端杆选用法兰式钢管杆。
2、基础选用的基本原则
所有部分预应力混凝土电杆的基础均需安装底盘和上卡盘,在土壤抗剪角β小于30°的地区需另增加0.2米的电杆埋深或其它技术措施;法兰式高强度混凝土电杆和法兰式钢管杆的基础形式均为配套的法兰(钢管)桩。
五、电杆及其基础的选取及使用
3、电杆相关参数
部分预应力混凝土电杆杆长有13米和15米二种;法兰式高强度混凝土电杆杆长有11米和13米二种;法兰式钢管杆杆长有11米和13米二种。其中13米混凝土电杆和11米高强度混凝土电杆、钢管杆配合使用构成一使用系列,15米混凝土电杆和13米高强度混凝土电杆、钢管杆构成一使用系列。
4、使用档距
使用档距是指实际使用中的电杆相邻两侧某一档的档距;水平档距是指电杆相邻两侧的使用档距的平均值;垂直档距是指导线相邻两最低弧垂点的档距。
电力工程技术专业书籍
¥12.8
购买
电工必备书籍/低压配电设计解析+配电手册+照明手册+电力工程技术
¥12.8
购买
10kV架空线路设计中直线杆、直线转角杆均按水平档距为60米、垂直档距为80米、最大档距为70米进行设计。
对于超过上述档距范围的特殊情况,设计人员应重新对电杆的结构和配套装置进行校验并做相应调整。
